手機:13827297626
電話:13827297626
郵箱:435281082@qq.com
地址:廣東省東莞市樟木頭鎮圩鎮荔苑路7號星耀國際
發布時間:2019-10-31 點此:4702次
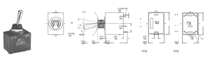
通用防水搖頭鈕子開關規格參數
電氣容量(電阻性負載)
大功率: 10A 在125V AC 或6A 在250V AC 或10A 在30V DC
其他額定參數
觸點電阻: 對于焊片焊接和螺絲端子型號最大10 毫歐;
對于引線端子型號最大30 毫歐。
絕緣電阻: 200 兆歐以上在500V DC
絕緣強度: 最低1,500V AC 至少1分鐘
機械壽命: 50,000 次操作以上對于On-None-Off, On-None-On 和On-Off-On 型號
對于其他型號30,000 次操作以上
電氣壽命: 15,000 次操作以上
擺動角度: 24°
材質和涂覆
搖桿: 黃銅鍍鉻
襯套和外部外殼: 玻璃纖維增強聚酰胺(UL94V-0)
內部外殼: 三聚氰胺
內部密封環: 丁腈橡膠用于On-None-Off, On-None-On 和On-Off-On 型號;硅橡膠用于所有其它型號
外部密封環: 天然橡膠
活動接觸器: 銅鍍銀
活動觸點: 銀合金加銅鍍銀
固定觸點: 銀合金加銅鍍銀
端子: 銅鍍錫用于焊片焊接和引線; 黃銅鍍銀用于螺絲
引線覆蓋: 隔熱聚氯乙烯(導線是AWG16)
環境數據
工作溫度范圍: –30°C到+70°C (–22°到F+158°F)
濕度: 96 小時在40°C(104°F)時, 濕度 90 95%
振動: 用1.5mm 峰-峰振幅遍歷10 55Hz 頻率范圍、
并在1分鐘內返回; 3 個直角方向2小時
沖擊: 50G (490m/s 2 ) 加速度 在6個直角方向上測試,每個方向上5次沖擊
前面板密封: IEC60529 的IP67,對于所有型號防塵和暫時浸入時防水;
可選的搖頭開關密封AT401 用于附加的保護;
后面板密封: IEC60529 的IP60,對于焊片焊接和螺絲端子型號防塵但不防水;
IEC60529 的IP67,對于引線型號防塵和暫時浸入時防水;

安裝
焊接時間和溫度: 手工焊接
安裝扭矩: 1.47Nm (13 lb ? in)
標準和認證
易燃性標準: UL94V-0外部外殼
配線材料標準: ULAWM 1015 認證在可燃性VW-1;
溫度范圍–20°C~ +105°C; 最大負載 600V; AWG 16 。
CSA TEW 105 認證在溫度范圍 –20°C~ +105°C; 最大負載 600V